Past Issue in 2023

Volume: 13, Issue: 19

left

Dec

20

Dec

5

Nov

20

Nov

5

Oct

20

Oct

5

Sep

20

Sep

5

Aug

20

Aug

5

Jul

20

Jul

5

Jun

20

Jun

5

May

20

May

5

Apr

20

Apr

5

Mar

20

Mar

5

Feb

20

Feb

5

Jan

20

Jan

5

right

Biochemistry

Protein Level Quantification Across Fluorescence-based Platforms

Protein Level Quantification Across Fluorescence-based Platforms

HR Hector Romero
AS Annika Schmidt
MC M. Cristina Cardoso
2033 Views
Oct 5, 2023
Biological processes are dependent on protein concentration and there is an inherent variability among cells even in environment-controlled conditions. Determining the amount of protein of interest in a cell is relevant to quantitatively relate it with the cells (patho)physiology. Previous studies used either western blot to determine the average amount of protein per cell in a population or fluorescence intensity to provide a relative amount of protein. This method combines both techniques. First, the protein of interest is purified, and its concentration determined. Next, cells containing the protein of interest with a fluorescent tag are sorted into different levels of intensity using fluorescence-activated cell sorting, and the amount of protein for each intensity category is calculated using the purified protein as calibration. Lastly, a calibration curve allows the direct relation of the amount of protein to the intensity levels determined with any instrument able to measure intensity levels. Once a fluorescence-based instrument is calibrated, it is possible to determine protein concentrations based on intensity.Key features• This method allows the evaluation and comparison of protein concentration in cells based on fluorescence intensity.• Requires protein purification and fluorescence-activated cell sorting.• Once calibrated for one protein, it allows determination of the levels of this protein using any fluorescence-based instrument.• Allows to determine subcellular local protein concentration based on combining volumetric and intensity measurements.Graphical overview Protein level quantification across fluorescence-based platforms

Bioinformatics and Computational Biology

GutMap: A New Interface for Analysing Regional Motility Patterns in ex vivo Mouse Gastrointestinal Preparations

GutMap: A New Interface for Analysing Regional Motility Patterns in ex vivo Mouse Gastrointestinal Preparations

TA Tanya Abo-Shaban
CL Chalystha Y. Q. Lee
SH Suzanne Hosie
GB Gayathri K. Balasuriya
MM Mitra Mohsenipour
LJ Leigh A. Johnston
EH Elisa L. Hill-Yardin
1650 Views
Oct 5, 2023
Different regions of the gastrointestinal tract have specific functions and thus distinct motility patterns. Motility is primarily regulated by the enteric nervous system (ENS), an intrinsic network of neurons located within the gut wall. Under physiological conditions, the ENS is influenced by the central nervous system (CNS). However, by using ex vivo organ bath experiments, ENS regulation of gut motility can also be studied in the absence of CNS influences. The current technique enables the characterisation of small intestinal, caecal, and colonic motility patterns using an ex vivo organ bath and video imaging protocol. This approach is combined with the novel edge detection script GutMap, available in MATLAB, that functions across Windows and Mac platforms. Dissected intestinal segments are cannulated in an organ bath containing physiological saline with a camera mounted overhead. Video recordings of gut contractions are then converted to spatiotemporal heatmaps and analysed using the GutMap software interface. Using data analysed from the heatmaps, parameters of contractile patterns (including contraction propagation frequency and velocity as well as gut diameter) at baseline and in the presence of drugs/treatments/genetic mutations can be compared. Here, we studied motility patterns of female mice at baseline and in the presence of a nitric oxide synthase inhibitor (Nω-Nitro-L-arginine; NOLA) (nitric oxide being the main inhibitory neurotransmitter of gut motility) to showcase the application of GutMap. This technique is suitable for application to a broad range of animal models of clinical disorders to understand underlying biological pathways contributing to gastrointestinal dysfunction.Key features• Enhanced video imaging analysis of gut contractility in rodents using a novel software interface.• New edge detection algorithm to accurately contour curvatures of the gastrointestinal tract.• Allows for output of high-resolution spatiotemporal heatmaps across Windows and Mac platforms.• Edge detection and analysis method makes motility measurements accessible in different gut regions including the caecum and stomach.Graphical overview

Biological Sciences

Production, Extraction, and Solubilization of Exopolysaccharides Using Submerged Cultures of Agaricomycetes

Production, Extraction, and Solubilization of Exopolysaccharides Using Submerged Cultures of Agaricomycetes

LD Lina R. Dávila Giraldo
PV Paula X. Villanueva Baez
CZ Cristian J. Zambrano Forero
WA Walter Murillo Arango
2234 Views
Oct 5, 2023
Macrofungi, also known as mushrooms, can produce various bioactive compounds, including exopolysaccharides (EPS) with distinct biological properties and subsequent industrial applications in the preparation of cosmetics, pharmaceuticals, and food products. EPS are extracellular polymers with diverse chemical compositions and physical properties secreted by macrofungi in the form of capsules or biofilms into the cellular medium. Submerged cultivation is an industrially implemented biotechnological technique used to produce a wide variety of fungal metabolites, which are of economic and social importance due to their food, pharmaceutical, and agronomic applications. It is a favorable technique for cultivating fungi because it requires little space, minimal labor, and low production costs. Moreover, it allows for control over environmental variables and nutrient supply, essential for the growth of the fungus. Although this technique has been widely applied to yeasts, there is limited knowledge regarding optimal growth conditions for filamentous fungi. Filamentous fungi exhibit different behavior compared to yeast, primarily due to differences in cell morphology, reproductive forms, and the type of aggregates generated during submerged fermentation. Furthermore, various growing conditions can affect the production yield of metabolites, necessitating the development of new knowledge to scale up metabolite production from filamentous fungi. This protocol implements the following culture conditions: an inoculum of three agar discs with mycelium, agitation at 150 rpm, a temperature of 28 °C, an incubation time of 72 h, and a carbon source concentration of 40 g/L. These EPS are precipitated using polar solvents such as water, ethanol, and isopropanol and solubilized using water or alkaline solutions. This protocol details the production procedure of EPS using submerged culture; the conditions and culture medium used are described. A detailed description of the extraction is performed, from neutralization to lyophilization. The concentrations and conditions necessary for solubilization are also described.Key features• Production and extraction of EPS from submerged cultures of mycelial forms of macrofungi.• Modification of the method described by Fariña et al. (2001), extending its application to submerged cultures of mycelial forms of the macrofungi.• Determination of EPS production parameters in submerged cultures of mycelial forms of macrofungi.• EPS solubilization using NaOH (0.1 N).Graphical overview

Cell Biology

Mouse Corneal Epithelial and Stromal Cell Isolation and Culture

Mouse Corneal Epithelial and Stromal Cell Isolation and Culture

YZ Yingnan Zhang
LZ Lijun Zhang
YL Yongqing Liu
2928 Views
Oct 5, 2023
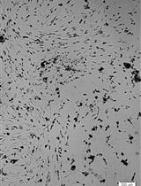
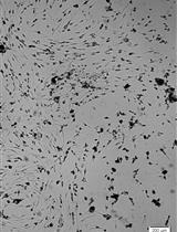
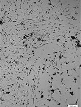
Corneal epithelium and stroma are the major cellular structures for ocular protection and vision accuracy; they play important roles in corneal wound healing and inflammation under pathological conditions. Unlike human, murine corneal and stromal fibroblast cells are difficult to isolate for cell culture. In our laboratory, we successfully used an ex vivo culture procedure and an enzymatic procedure to isolate, purify, and culture mouse corneal epithelial and stromal fibroblast cells.Key features• Primary cell culture models of a disease are critical for cellular and molecular mechanism studies.• Corneal tissues with the limbus contain stem cells to generate both epithelial and stromal cells.• An ex vivo corneal culture provides a constant generation of primary corneal cells for multiple passages.• The isolated cells are validated by the corneal epithelial cell markers Krt12 and Cdh1 and the stromal fibroblast marker Vim.
Fluorescence Resonance Energy Transfer to Detect Plasma Membrane Perturbations in Giant Plasma Membrane Vesicles

Fluorescence Resonance Energy Transfer to Detect Plasma Membrane Perturbations in Giant Plasma Membrane Vesicles

MS Mathew Sebastiao
NQ Noé Quittot
IM Isabelle Marcotte
SB Steve Bourgault
2106 Views
Oct 5, 2023
Disruptions and perturbations of the cellular plasma membrane by peptides have garnered significant interest in the elucidation of biological phenomena. Typically, these complex processes are studied using liposomes as model membranes—either by encapsulating a fluorescent dye or by other spectroscopic approaches, such as nuclear magnetic resonance. Despite incorporating physiologically relevant lipids, no synthetic model truly recapitulates the full complexity and molecular diversity of the plasma membrane. Here, biologically representative membrane models, giant plasma membrane vesicles (GPMVs), are prepared from eukaryotic cells by inducing a budding event with a chemical stressor. The GPMVs are then isolated, and bilayers are labelled with fluorescent lipophilic tracers and incubated in a microplate with a membrane-active peptide. As the membranes become damaged and/or aggregate, the resulting fluorescence resonance energy transfer (FRET) between the two tracers increases and is measured periodically in a microplate. This approach offers a particularly useful way to detect perturbations when the membrane complexity is an important variable to consider. Additionally, it provides a way to kinetically detect damage to the plasma membrane, which can be correlated with the kinetics of peptide self-assembly or structural rearrangements.Key features• Allows testing of various peptide–membrane interaction conditions (peptide:phospholipid ratio, ionic strength, buffer, etc.) at once.• Uses intact plasma membrane vesicles that can be prepared from a variety of cell lines.• Can offer comparable throughput as with traditional synthetic lipid models (e.g., dye-encapsulated liposomes).Graphical overview

Developmental Biology

A Rapid and Simple Procedure for the Isolation of Embryonic Cells from Fish Eggs

A Rapid and Simple Procedure for the Isolation of Embryonic Cells from Fish Eggs

VG Vasily Golotin
AL Anatoly Lyutikov
TF Tatiana Filatova
VS Vladimir Sharoyko
OA Olga Apalikova
1426 Views
Oct 5, 2023
Fertilized teleost fish eggs are a complex formation, in which dividing cells arelocated in a small point in the entire volume of eggs. Isolating embryonic cellscan be considered a necessary step in the research of developmentalpeculiarities of fish cells at the earliest stages of embryogenesis beforeembryo formation. The main advantages of the offered protocol are rapidisolation, no enzymes, and overall low cost compared to other protocols. Theprotocol is suitable for the isolation of embryonic cells from medium-sized eggsat the stages of blastula or gastrula, for studies in a variety of applications(e.g., microscopy, flow cytometry, and other methods). Fertilized nelma eggs(Stenodus leucichthys nelma) are used in the protocol as a model.Key features• Fast and cheap isolation of cells from fish eggs at early stages (blastula orgastrula).• Applicable for most of the methods for cell study (any staining, microscopy, flowcytometry, etc.).• Can be applied to other teleost fish eggs with medium egg diameter of 3–4mm.Graphical overview

Environmental science

Co-culture Wood Block Decay Test with Bacteria and Wood Rotting Fungi to Analyse Synergism/Antagonism during Wood Degradation

Co-culture Wood Block Decay Test with Bacteria and Wood Rotting Fungi to Analyse Synergism/Antagonism during Wood Degradation

JE Julia Embacher
SZ Susanne Zeilinger
SN Sigrid Neuhauser
MK Martin Kirchmair
1905 Views
Oct 5, 2023
Mixed communities of fungi and bacteria have been shown to be more efficient in degrading wood than fungi alone. Some standardised protocols for quantification of the wood decay ability of fungi have been developed (e.g., DIN V ENV 12038:2002 as the legal standard to test for the resistance of wood against wood-destroying basidiomycetes in Germany). Here, we describe a step-by-step protocol developed from the official standard DIN V ENV12038 to test combinations of bacteria and fungi for their combined wood degradation ability. Equally sized wood blocks are inoculated with wood decay fungi and bacterial strains. Axenic controls allow the analysis of varying degradation rates via comparison of the wood dry weights at the end of the experiments. This protocol provides new opportunities in exploration of inter- and intra-kingdom interactions in the wood-related environment and forms the basis for microcosm experiments.Key features• Quantification of wood decay ability of mixed cultures.• Allows testing if fungi are more efficient in degrading wood when bacteria are present.

Immunology

Isolation and Analysis of B-cell Progenitors from Bone Marrow by Flow Cytometry

Isolation and Analysis of B-cell Progenitors from Bone Marrow by Flow Cytometry

HZ Hongchang Zhao
RS Roger Sciammas
JB Jacqueline H. Barlow
3538 Views
Oct 5, 2023
B cells play a critical role in host defense, producing antibodies in response to microbial infection. An inability to produce an effective antibody response leaves affected individuals prone to serious infection; therefore, proper B-cell development is essential to human health. B-cell development begins in the bone marrow and progresses through various stages until maturation occurs in the spleen. This process involves several sequential, complex events, starting with pre- and pro-B cells, which rearrange the heavy and light chain genes responsible for producing clonally diverse immunoglobulin (Ig) molecules. These cells then differentiate into immature B cells, followed by mature B cells. The bone marrow is a complex ecological niche of supporting stromal cells, extracellular matrix components, macrophages, and hematopoietic precursor cells influencing B-cell development, maturation, and differentiation. Once fully mature, B cells circulate in peripheral lymphoid organs and can respond to antigenic stimuli. As specific cell surface markers are expressed during each stage of B-cell development, researchers use flow cytometry as a powerful tool to evaluate developmental progression. In this protocol, we provide a step-by-step method for bone marrow isolation, cell staining, and data analysis. This tool will help researchers gain a deeper understanding of the progression of B-cell development and provide a pertinent flow gating strategy.

Medicine

In vitro Quality Assessments of Perfluorocarbon Nanoemulsions for Near-infrared Fluorescence Imaging of Inflammation in Preclinical Models

In vitro Quality Assessments of Perfluorocarbon Nanoemulsions for Near-infrared Fluorescence Imaging of Inflammation in Preclinical Models

JJ Jelena M. Janjic
RM Rebecca McCallin
LL Lu Liu
CC Caitlin Crelli
AD Amit Chandra Das
AT Anneliese Troidle
2165 Views
Oct 5, 2023
Tracking macrophages by non-invasive molecular imaging can provide useful insights into the immunobiology of inflammatory disorders in preclinical disease models. Perfluorocarbon nanoemulsions (PFC-NEs) have been well documented in their ability to be taken up by macrophages through phagocytosis and serve as 19F magnetic resonance imaging (MRI) tracers of inflammation in vivo and ex vivo. Incorporation of near-infrared fluorescent (NIRF) dyes in PFC-NEs can help monitor the spatiotemporal distribution of macrophages in vivo during inflammatory processes, using NIRF imaging as a complementary methodology to MRI. Here, we discuss in depth how both colloidal and fluorescence stabilities of the PFC-NEs are essential for successful and reliable macrophage tracking in vivo and for their detection in excised tissues ex vivo by NIRF imaging. Furthermore, PFC-NE quality assures NIRF imaging reproducibility and reliability across preclinical studies, providing insights into inflammation progression and therapeutic response. Previous studies focused on assessments of colloidal property changes in response to stress and during storage as a means of quality control. We recently focused on the joint evaluation of both colloidal and fluorescence properties and their relationship to NIRF imaging outcomes. In this protocol, we summarize the key assessments of the fluorescent dye–labeled nanoemulsions, which include long-term particle size distribution monitoring as the measure of colloidal stability and monitoring of the fluorescence signal. Due to its simplicity and reproducibility, our protocols are easy to adopt for researchers to assess the quality of PFC-NEs for in vivo NIRF imaging applications.

Neuroscience

Isolation and Culture of Neural Stem/Progenitor Cells from the Hippocampal Dentate Gyrus of Young Adult and Aged Rats

Isolation and Culture of Neural Stem/Progenitor Cells from the Hippocampal Dentate Gyrus of Young Adult and Aged Rats

MA Mina Afhami
MB Morteza Behnam-Rassouli
AG Ali Gorji
SK Saeed Karima
KS Koorosh Shahpasand
2304 Views
Oct 5, 2023
Adult neural stem/progenitor cells (NSPCs) in two neurogenic areas of the brain, the dentate gyrus and the subventricular zone, are major players in adult neurogenesis. Addressing specific questions regarding NSPCs outside of their niche entails in vitro studies through isolation and culture of these cells. As there is heterogeneity in their morphology, proliferation, and differentiation capacity between these two neurogenic areas, NSPCs should be isolated from each area through specific procedures and media. Identifying region-specific NPSCs provides an accurate pathway for assessing the effects of extrinsic factors and drugs on these cells and investigating the mechanisms of neurogenesis in both healthy and pathologic conditions. A great number of isolation and expansion techniques for NSPCs have been reported. The growth and expansion of NSPCs obtained from the dentate gyrus of aged rats are generally difficult. There are relatively limited data and protocols about NSPCs isolation and their culture from aged rats. Our approach is an efficient and reliable strategy to isolate and expand NSPCs obtained from young adult and aged rats. NSPCs isolated by this method maintain their self-renewal and multipotency.Key features• NSPCs isolated from the hippocampal dentate gyrus of young adult and aged rats, based on Kempermann et al. (2014) and Aligholi et al. (2014).• Maintenance of NSPCs isolated from the dentate gyrus of aged rats (20–24 months) in our culture condition is feasible.• According to our protocol, maximum growth of primary neurospheres obtained from isolated NSPCs of young and aged rats took 15 and 35 days, respectively.Graphical overviewIsolation and expansion of neural stem/progenitor cells
Application of Electrical Stimulation to Enhance Axon Regeneration Following Peripheral Nerve Injury

Application of Electrical Stimulation to Enhance Axon Regeneration Following Peripheral Nerve Injury

SW Supriya S. Wariyar
PW Patricia J. Ward
2058 Views
Oct 5, 2023
Enhancing axon regeneration is a major focus of peripheral nerve injury research. Although peripheral axons possess a limited ability to regenerate, their functional recovery is very poor. Various activity-based therapies like exercise, optical stimulation, and electrical stimulation as well as pharmacologic treatments can enhance spontaneous axon regeneration. In this protocol, we use a custom-built cuff to electrically stimulate the whole sciatic nerve for an hour prior to transection and repair. We used a Thy-1-YFP-H mouse to visualize regenerating axon profiles. We compared the regeneration of axons from nerves that were electrically stimulated to nerves that were not stimulated (untreated). Electrically stimulated nerves had longer axon growth than the untreated nerves. We detail how variations of this method can be used to measure acute axon growth.
Testing for Allele-specific Expression from Human Brain Samples

Testing for Allele-specific Expression from Human Brain Samples

MD Maria E. Diaz-Ortiz
NJ Nimansha Jain
MG Michael D. Gallagher
MP Marijan Posavi
TU Travis L. Unger
AC Alice S. Chen-Plotkin
1953 Views
Oct 5, 2023
Many single nucleotide polymorphisms (SNPs) identified by genome-wide association studies exert their effects on disease risk as expression quantitative trait loci (eQTL) via allele-specific expression (ASE). While databases for probing eQTLs in tissues from normal individuals exist, one may wish to ascertain eQTLs or ASE in specific tissues or disease-states not characterized in these databases. Here, we present a protocol to assess ASE of two possible target genes (GPNMB and KLHL7) of a known genome-wide association study (GWAS) Parkinson’s disease (PD) risk locus in postmortem human brain tissue from PD and neurologically normal individuals. This was done using a sequence of RNA isolation, cDNA library generation, enrichment for transcripts of interest using customizable cDNA capture probes, paired-end RNA sequencing, and subsequent analysis. This method provides increased sensitivity relative to traditional bulk RNAseq-based and a blueprint that can be extended to the study of other genes, tissues, and disease states.Key features• Analysis of GPNMB allele-specific expression (ASE) in brain lysates from cognitively normal controls (NC) and Parkinson’s disease (PD) individuals.• Builds on the ASE protocol of Mayba et al. (2014) and extends application from cells to human tissue.• Increased sensitivity by enrichment for desired transcript via RNA CaptureSeq (Mercer et al., 2014).• Optimized for human brain lysates from cingulate gyrus, caudate nucleus, and cerebellum.Graphical overview

Plant Science

A Novel Imaging Protocol for Investigating Arabidopsis thaliana Siliques and Seeds Using X-rays

A Novel Imaging Protocol for Investigating Arabidopsis thaliana Siliques and Seeds Using X-rays

BR ​Brylie A. Ritchie
TU Theodore A. Uyeno
DD Daniel F. Rincon Diaz
Ansul Lokdarshi Ansul Lokdarshi
2220 Views
Oct 5, 2023
Understanding silique and seed morphology is essential to developmental biology. Arabidopsis thaliana is one of the best-studied plant models for understanding the genetic determinants of seed count and size. However, the small size of its seeds, and their encasement in a pod known as silique, makes investigating their numbers and morphology both time consuming and tedious. Researchers often report bulk seed weights as an indicator of average seed size, but this overlooks individual seed details. Removal of the seeds and subsequent image analysis is possible, but automated counts are often impossible due to seed pigmentation and shadowing. Traditional ways of analyzing seed count and size, without their removal from the silique, involve lengthy histological processing (24–48 h) and the use of toxic organic solvents. We developed a method that is non-invasive, requires minimal sample processing, and obtains data in a short period of time (1–2 h). This method uses a custom X-ray imaging system to visualize Arabidopsis siliques at different stages of their growth. We show that this process can be successfully used to analyze the overall topology of Arabidopsis siliques and seed size and count. This new method can be easily adapted for other plant models.Key features• No requirement for organic solvents for imaging siliques.• Easy image capture and rapid turnaround time for obtaining data.• Protocol may be easily adapted for other plant models.Graphical overviewArabidopsis siliques using the Inspex 20i X-ray machine

Correction

Correction Notice: A Simple Microplate Assay for Reactive Oxygen Species Generation and Rapid Cellular Protein Normalization

Correction Notice: A Simple Microplate Assay for Reactive Oxygen Species Generation and Rapid Cellular Protein Normalization

NN Neville S. Ng
LO Lezanne Ooi
827 Views
Oct 5, 2023